妻子打电话,丈夫却在卖力,17.c-起草口在,舞蹈生赵子涵

伊本气动有限公司

地址:浙江省乐清市柳市镇黄七甲工业区
电话:0577-62777889
传真:0577-62777880
网址:l7sy9o2.cn
邮箱:ibn@ybyypc.com
         sale1@ybyypc.com

 

 
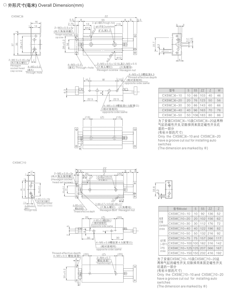
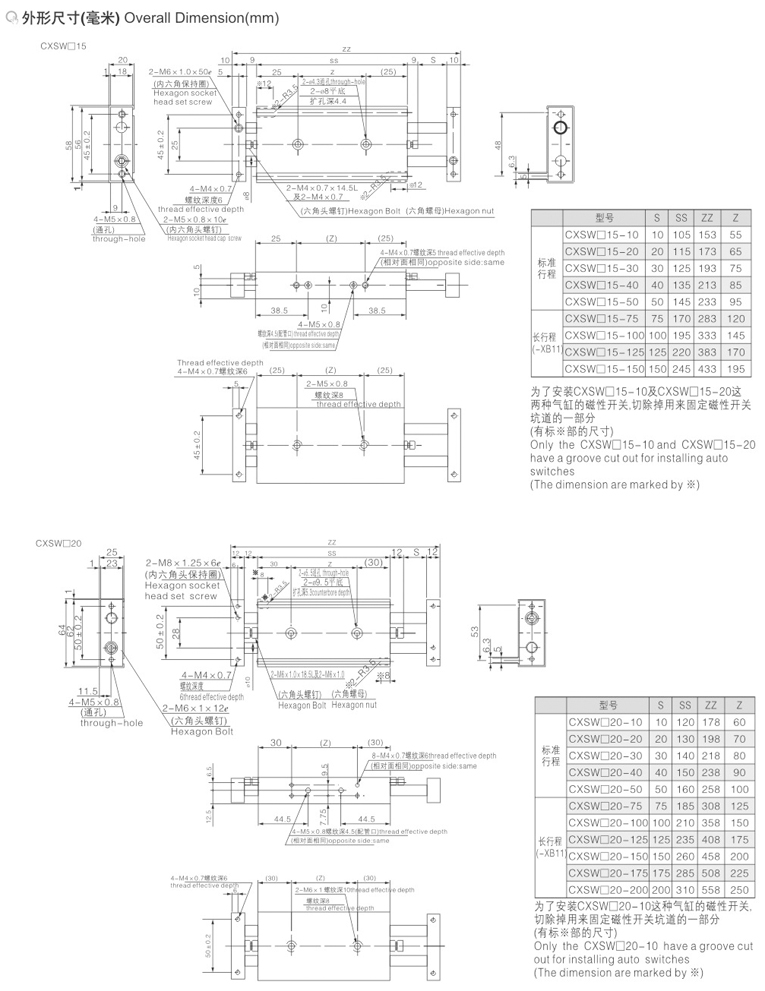
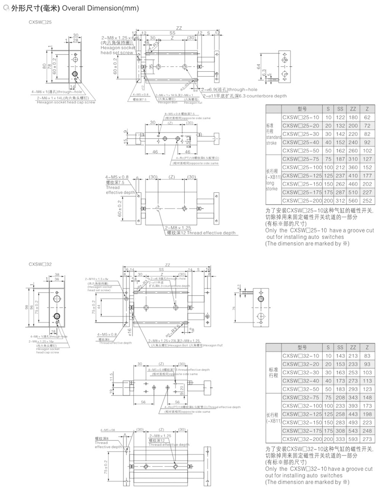
当前位置首页产品中心执行元件系列双轴气缸

CXSW系列双轴气缸

 

 

 

主站蜘蛛池模板: 呼图壁县| 梅州市| 界首市| 当涂县| 旺苍县| 德兴市| 运城市| 霍城县| 临泉县| 中宁县| 延寿县| 江北区| 遂川县| 株洲市| 新丰县| 大竹县| 腾冲县| 固原市| 陕西省| 仙桃市| 兴安县| 通化市| 玛纳斯县| 奉化市| 廉江市| 礼泉县| 内江市| 彰武县| 潍坊市| 镇康县| 黄平县| 镇原县| 黄浦区| 新蔡县| 凉城县| 达尔| 化隆| 开原市| 监利县| 天水市| 白银市|